鋁合金鉚釘半成品金相分析
2A01鋁合金鉚釘
(1) 2A01鋁合金鉚釘半成品與成品,見圖6-57
圖6-57 鉚釘形貌實物形貌
(2) 2A01鋁合金鉚釘半成品金相組織
2A01鋁合金鉚釘半成品金相組織,見圖6-58。
a 100× b 200×
圖6-58 2A01鋁合金鉚釘半成品的金相組織
(3)2A01鋁合金鉚釘成品金相組織與熱處理工藝
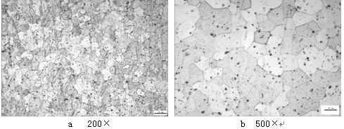
2A01鋁合金鉚釘成品金相組織,見圖6-59。
圖6-59 2A01鋁合金鉚釘成品的金相組織
2A01鋁合金鉚釘成品熱處理工藝:
固溶:鋁合金淬火爐 498℃ 45min
時效:自然時效 96h





浙公網(wǎng)安備 33042402000106號 a>

